Пошаговый монтаж глушилки сигнала сотовой связи своими руками
Шаг первый: доработка преобразователя частот
Для создания этого прибора, используем частотный преобразователь на 600 МГц. Этот преобразователь был усовершенствован так, чтобы отвечать нуждам и целям будущего прибора.
Блокиратор связи будет работать на частоте 800 МГц по той причине, что большинство мобильных телефонов используют именно эту самую частоту. Поэтому для сборки устройства в качестве основы берем генератор качающейся частоты. По расчетам он должен будет отлично выполнять свои необходимые функции.
Шаг второй: установка генератора синхросигналов
Используем генератор синхронизированных сигналов на 45 МГц. Эта деталь будет выполнять роль генератора помех в устройстве глушения мобильной связи. При работе этот генератор должен возбуждать порт гетеродина приемника, который размещен на микросхеме. Для того, чтобы сравнять сопротивление порта гетеродина синхронизированных сигналов, пускаем сигнал гетеродина через сеть согласования сопротивлений.
Шаг третий: усилитель РЧ
К сожалению использование усилителя сильно отражается на энергопотреблении прибора в целом, поэтому стоит понимать это и рассчитывать возможности используемых источников энергии. Но отказываться от усилителя в схеме прибора по причинам повышения потребления энергии не стоит, так как он несет важную, по сути, основную функцию прибора.
Шаг четвертый: выбор корпуса устройства
В качестве корпуса автор решил использовать имеющуюся у него старую ненужную алюминиевую коробку, в которой были просверлены отверстия под крепление деталей, а также УКВ разъемов от телефона Моторола.
Шаг пятый: припайка УКВ разъемов
УКВ разъемы были припаяны к микросхеме глушителя сигналов сотовой связи.
Шаг шестой: помещение схем и деталей прибора в корпус
В качестве источника питания он выбрал батарею на 9 В. Батарея была установлена внутрь коробки и отделена от все остальных схем и деталей при помощи куска пенопласта. Таким образом подавитель мобильных сигналов будет способен работать автономно.
Шаг седьмой: установка антенн
Антенны для передачи сигнала автор также взял от Моторолы. Их автор подсоединил к УКВ разъёмам, а также сделал переключатель на корпусе прибора для его включения и выключения по щелчку кнопки.
В итоге при таком подходе любой человек, который говорит по сотовому телефону, будет слышать лишь помехи собственного сигнала усиленные и отраженные вкюченным прибором. Это возможно благодаря тому, что у мобильных телефонов, работающих на частоте 800 МГц, а именно такие мы собираемся глушить, есть различие в частоте отправляемого и получаемого сигнала, эта разница стандартно равняется 45 МГц.
Кроме того, данный глушитель заодно блокирует все сигналы от следящих устройств, использующих GPS навигацию, к примеру, для слежения за вашим автомобилем, а также сотовую частоту, которая может быть использована для получения данных. А значит устройство полезно вдвойне, так как кроме блокатора сотовой связи, оно является еще и подавителей сигнала GPS. Благодаря таким параметрам устройство может быть использовано, чтобы мешать активации самодельных взрывных устройств, если они детонируют от звонка с мобильного телефона.
Из-за небольших габаритов глушилку сотовой связи, можно использовать в машине, офисе или даже носить с собой в сумке или портфеле.
Глушилка радиосигнала
«Антишансон» — индивидуальное устройство для защиты и активного противодействия вмешательству нежелательной информации из радио эфира (ПМРГ — персональная мобильная радио глушилка). Позволяет незаметно глушить выбранную радио частоту, путём создания гармонической радио помехе в заданном диапазоне. Устройство имеет кнопку включения радиопомехи «Выкл FM» и ручку подстройки частоты. Себестоимость устройства — 10$.
Характеристики: Диапазон частот: 88-108 МГц (FM) Радиус действия: 5-10 м Напряжение питания: 9 V Время непрерывной работы: 15 часов. Габаритные размеры: 35х50х25
Элементы схемы С1, С2 — 0.22 мкФ СЗ, С4 — 1000 пФ С5 — 100 пФ С6 — 15 пФ С7 — 3 — 50 пФ переменный конденсатор R1 — 287кOm R2, R4 — 15кОм R5 — 39 Ом 2Вт Т1 — ВС307В Т2 — ВС161/6 S1 — Выключатель (любой подходящий по размеру) L — Без каркасная катушка индуктивностью около 0.043 мкГн, 4 витка, диаметр 5 мм, длинна 8 мм, провод 0.4 — 0.6 мм (В случае использования другого переменного конденсатора, катушку нужно рассчитать с помощью специальной программы. Например можно найти в интернете «Konlur32″ автор /D. StrangeV)
Схема собиралась на основе набора «Мастер кит» NK127. Это передатчик работающий на частоте около 27мГц (частота радио управляемых игрушек), работающий от батарейки 98 типа *Крона». Меняем катушку L схемы и получаем требуемые 87-108 мГц.
Защита личной жизни: глушилка сотовой связи своими руками
Сегодня невозможно себе представить жизнь без сотового телефона или GPS. Такие устройства облегчают нам жизнь, давая возможность общаться в любое время с нужными людьми. Однако это «палка о двух концах». Вторая «сторона медали» — это возможность прослушки путём вживления специальной аппаратуры в сотовый телефон, которой боятся очень многие. Рациональное зерно здесь есть, а значит, стоит разобраться, как можно собрать своими руками глушилку не только для сотовой связи, но и иных сигналов, вроде GPS, ГЛОНАСС, Wi-Fi или блютуз.
Кому нужно вторгаться в чужую жизнь
Аналогичные действия предпринимают и для настройки на WiFi.
Наверное, все знают сегодня, что такое «жучки». Различные средства для прослушки в настоящее время используются не только спецслужбами. Их может установить студент и даже школьник.
Однако чаще всего в таких устройствах заинтересованы ревнивцы, конкуренты по бизнесу и прочие. Шпионская техника способна нанести вред любому человеку. Поэтому информационной защитой сегодня интересуются многие. И подавитель-глушилка GSM выступает именно тем прибором, который борется с такими явлениями.
Ну, а о сотовых телефонах GSM 900-1800 многие давно знают, что без глушилки они легко превращаются в средство утечки информации.
Глушилка сотовой связи, и каков принцип её работы
Принцип работы глушилки сигнала сотовой связи довольно прост. Специальный подавитель создаёт определённые помехи на частотах, в которых работают GSM- и GPS-сети. В результате при попадании сотового телефона в область действия прибора возникают шумы и искажения волн. Сотовый телефон становится бесполезной игрушкой, не способной принять или отправить вызовы и сообщения.
Более сложные глушилки мобильной связи, или ГЛОНАСС, действуют по иному. Они постоянно находятся в состоянии сканирования пространства вокруг в определённом радиусе. Едва в зону действия попадает активный приёмник-передатчик, как прибор начинает генерировать «белый шум». Это позволяет продлить срок службы глушилки GSM-сигнала на одном заряде АКБ.
Статья по теме:
Как выбрать усилитель сигнала сотовой связи: особенности технологии, устройства и характеристики, область применения, устройство и принцип работы, разновидности усилителей и их характеристики, обзор производителей и обзор нескольких популярных моделей, особенности выбора.
Как действуют подавители на телефоны
Одни из них представляют собой устройства такого типа, что когда приборы попадают в зону их действия, все вокруг телефоны ловят лишь помехи, а разговаривать по ним люди не могут.
Другие глушилки GSM направлены на сканирование частот и ищут определенный сигнал. В тот момент, когда он появляется, они начинают генерировать помехи. Таким образом, существенно экономится электрическая энергия.
Устройство подавителя сотовой связи: из чего состоит прибор
Если говорить о готовом приборе, то его основными деталями можно назвать:
На первый взгляд всё просто – есть детали, и их требуется собрать воедино. Однако, как и в любой другой работе, здесь есть несколько нюансов, которые нельзя игнорировать.
ФОТО: handmade32.ru Вот такая маленькая плата полностью исключает возможность связи по сотовому телефону
Схемы для сборки глушилок сотовых телефонов своими руками
В сети можно найти множество различных схем для сборки глушилок сотовой связи своими руками. Они могут отличаться по степени сложности. Следует понимать, что чем проще схема, тем меньшими возможностями будет обладать собранный подавитель.
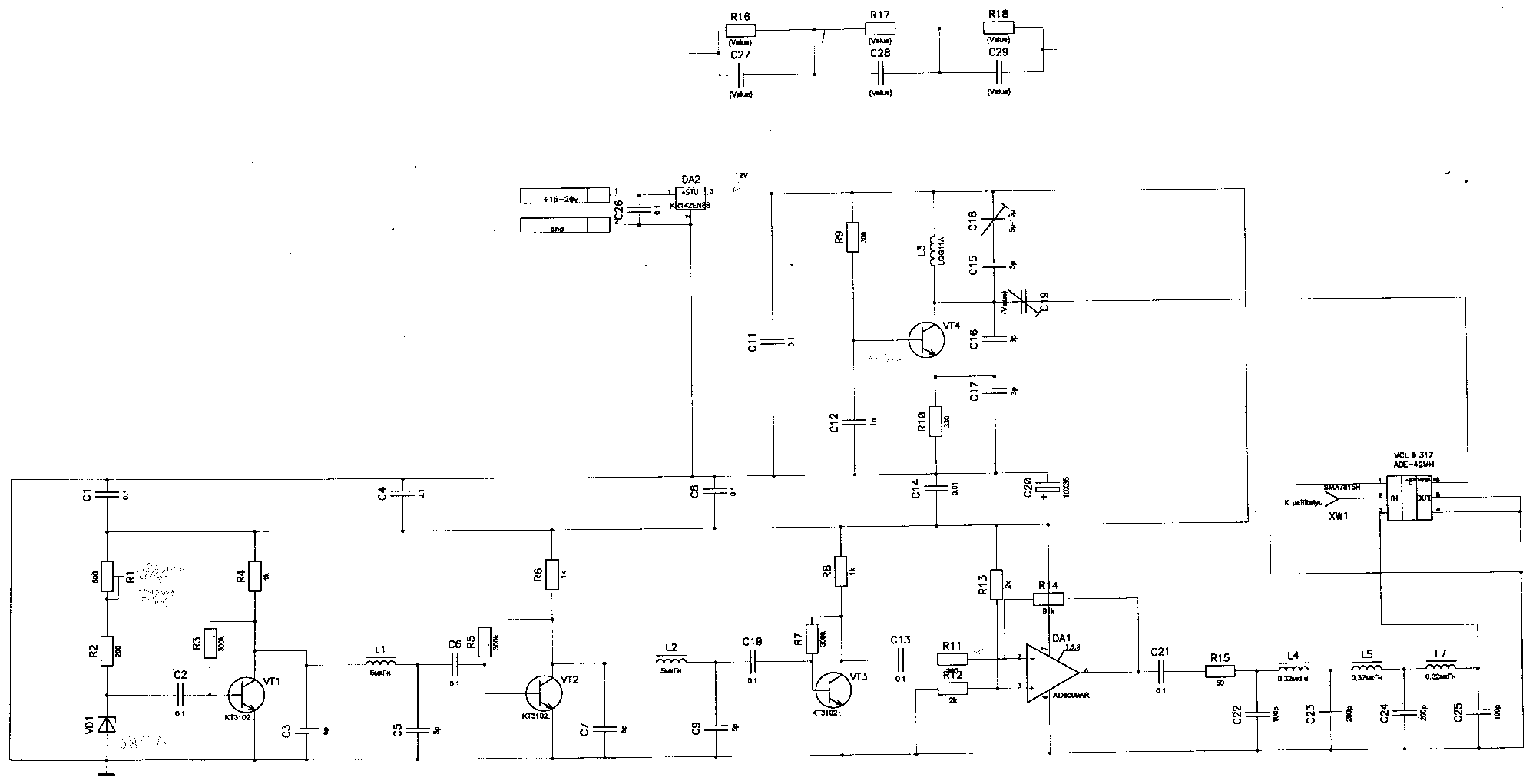
ФОТО: qrz.ru Схема глушилки GSM-сигнала может выглядеть так
Если начинающий радиолюбитель хочет попрактиковаться, то лучше всего выбрать наиболее простые варианты. К тому же не стоит забывать и о законодательстве нашей страны, согласно которому подобное оборудование подлежит регистрации. Это значит, что, собрав сложную схему и «погасив» связь во всём подъезде или доме, можно запросто нарваться на серьёзные неприятности.
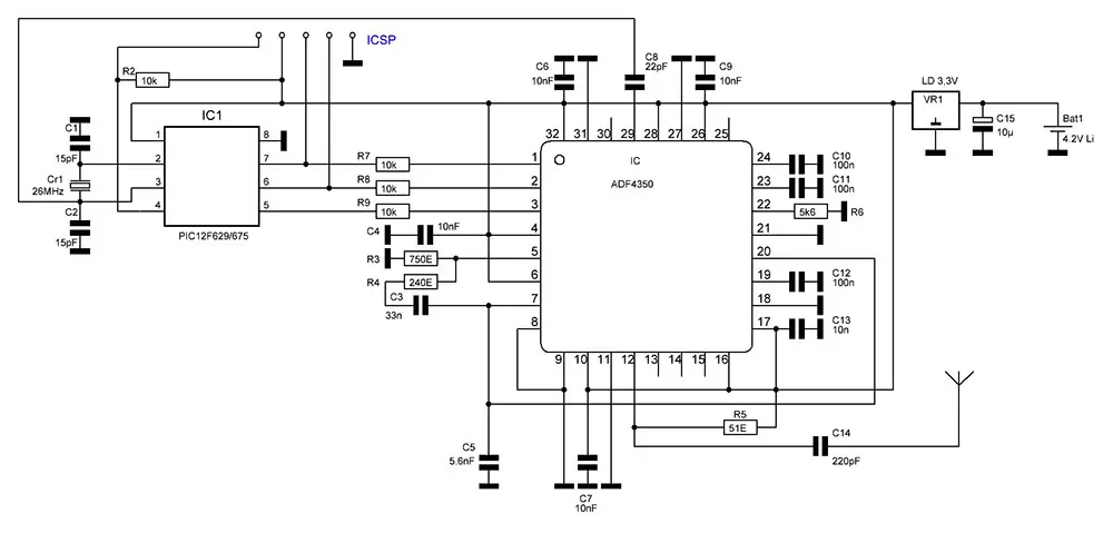
ФОТО: mssglonass.ru А это уже схема подавителя сигнала ГЛОНАСС, которую можно назвать более сложной
Установка и эксплуатация подавителя
Монтаж прибора совершенно прост. Антенну прикручивают в разъем, и глушилка подавит сигналы уже через десять секунд после включения. Блокиратор способен работать как в автономном режиме, так и через сеть. Также при необходимости можно воспользоваться и прикуривателем автомобиля.
Но не следует забывать, что незаконное использование прибора является нарушением закона.
Некоторые параметры глушителей сигналов сотовой связи
Говоря о глушителях мобильной связи, мы подразумеваем подавитель, который следует настроить на определённую частоту. При этом можно выполнить настройки так, что будут глушиться и иные приборы. К примеру, можно сделать своими руками глушилку интернет-сигнала или частот Wi-Fi.
ФОТО: poisk-podbor.ru Одно движение, и роутер становится не более чем бесполезной пластиковой коробочкой
По сути, все представленные в интернете схемы подавителей предназначены для радиолюбителей, которым интересно заниматься подобными темами. Для остальных будет проще приобрести настраиваемые глушилки связи или мобильного интернета. Рассмотрим, на каких волнах должны создаваться помехи для различных сетей.
ФОТО: mehack.org Мощные подавители способны отключить все сигналы, включая телевидение и радио
Рабочие частоты глушилок для телефона
Для того чтобы заглушить GSM-сигнал, необходимо настроить рабочую частоту подавителя на 800 МГц. Именно на ней работают все сотовые телефоны в нашей стране. А вот для подавления других сетей придётся перенастраивать оборудование.
ФОТО: aredi.ru Частота усилителя 3G/4G ─ также 800 МГц, а значит, глушилка подавит и его
Настройка глушилки Вай-Фай своими руками
Подобные приборы часто объединяются блокиратором, способным блокировать каналы всех беспроводных гаджетов, включая и те, которые работают по Bluetooth. Своими руками такую глушилку собрать несложно, особенно если у мастера есть опыт в радиоделе.
Здесь стоит учитывать, что подобный подавитель забьёт частоты не только камер, но и беспроводной клавиатуры, мыши и любых других устройств, передающих сигнал через Вай-Фай или блютуз. Для обеспечения подавления необходимо настроить глушилку на частоты 2400—2500 МГц.
ФОТО: ozon.ru Включённый подавитель не даст пользователю общаться с помощью беспроводной гарнитуры
GPS/ГЛОНАСС: для чего глушить эти частоты
Для законопослушного гражданина подавление частот ГЛОНАСС совершенно ни к чему. Но это если речь идёт не о России. На сегодняшний день ГЛОНАСС устанавливается повсеместно на рабочие курьерские, грузовые автомобили. А вот по данным часто могут возникать нестыковки.
Глушилки сотовой связи с АлиЭкспресс — обзор лучших моделей
Можно не собирать глушилку самостоятельно, а воспользоваться Алиэкспресс, на котором много устройств. Глушилки могут стоить и дешево, и работать исправно.
Джаммер
Первая модель – Джаммер. Работает она на частоте 150 МГц, а также блокирует многие сигналы. Если смотреть на отзывы, то данная модель работает исправно. Её также можно приобрести по скидки и использовать, как мобильный вариант.
Джаммер на Алиэкспресс
Wi-Fi RF GSM
Многофункциональный и беспроводной глушитель Wi-Fi RF GSM пользуется популярностью на китайском сайте, потому что за свою цену блокирует небольшой сигнал, который может располагаться в совершенно отличных радиусах. Это многофункциональное устройство по привлекательной цене
Wi-Fi RF GSM на Алиэкспресс
На сайте сложно найти глушилки, так как по закону это запрещено. Более подробно о стороне закона стоит поговорить далее.
Обход глушилки сотовой связи: как это сделать
Этот вопрос интересует многих. Здесь не всё однозначно. К примеру, если глушилка Вай-Фай, блютуз или сотовой связи собрана своими руками одним из умельцев, то можно попробовать вычислить наиболее удалённое от неё расстояние, на котором эффективность заметно снизится.
Также, если мастер изготовил простейшую глушилку блютуз своими руками, она не будет подавлять сотовый сигнал, равно как и интернет. Это тоже следует учитывать. Что же касается качественных устройств, приобретаемых в специализированных магазинах, то методов обхода подобного оборудования на сегодняшний день не существует.
ФОТО: radioskot.ru Простейшая глушилка сотовой связи, собранная «на коленке»
Как зарегистрировать глушилку?
Проще всего зайти на портал госуслуг и подать заявку в электронном виде. Однако за получением разрешения на глушилку всё равно придётся идти ногами – приглашение придёт в личный кабинет на сайте.
В заявлении указывается:
- ФИО, ИНН, место жительства, данные документа, удостоверяющего личность гражданина РФ;
- тип, наименование и номер регистрируемого устройства;
- номер и дата разрешения на использование радиочастот (радиочастотных каналов) для радиоэлектронных средств, выданных на имя заявителя (если такое предусмотрено для вашей глушилки законодательством РФ);
- номера и дата свидетельства об образовании позывного сигнала (если такое предусмотрено для вашей глушилки законодательством РФ).
Разрешения выдают специалисты Федеральной службы по надзору в сфере связи, информационных технологий и массовых коммуникаций. Им придётся предъявить длинный список документов:
- сведения о технических характеристиках и параметрах излучения регистрируемых радиоэлектронных средств и высокочастотных устройств;
- решение ГКРЧ о выделении полос радиочастот для высокочастотных устройств в случае, если рабочая полоса радиочастот высокочастотного устройства не соответствует перечню радиочастот, предназначенных для использования в промышленных, научных, медицинских и бытовых высокочастотных устройствах (перечень частот здесь);
- решение ГКРЧ о выделении полос радиочастот для радиоэлектронных средств в случае, если таким решением предусмотрена возможность использования радиочастот или радиочастотных каналов без получения разрешения на использование радиочастот или радиочастотных каналов (для большинства устройств это решение ГКРЧ № 05-10-03-001 «О выделении полосы радиочастот 0,1-1000 МГц…»);
- разрешение на использование радиочастот или радиочастотных каналов;
- свидетельство об образовании позывных сигналов опознавания.
Популярные статьи Корзинки для пасхальных яиц своими руками! (идеи и мастер-классы)
Сотрудник службы примет у вас эти документы и отправит на рассмотрение. Если всё хорошо, то в течение 10 дней в ваш личный кабинет на сайте госуслуг придёт ещё одно приглашение – уже за свидетельством о регистрации. Услуга бесплатная.
Практика показывает, что получить разрешение физлицо может лишь чудом. Простым смертным часто отказывают в регистрации без объяснения причин. Да и госучреждениям или коммерческим структурам приходится сражаться с бюрократией, доказывая необходимость использования глушилки. Но за деньги и не такое возможно.
Обзор карманной глушилки из Китая
Попробуем рассмотреть на фотопримерах, как работает подобный подавитель. Для того чтобы эта статья не была воспринята как реклама, марку и модель называть не будем.
| Иллюстрация | Описание |
|
|
Комплектация глушилки GSM (кстати, схема в коробке отсутствует). В коробке сама глушилка, 3 съёмных антенны и два адаптера – для работы от сетей 220 В и 12 В. |
|
|
Предварительно был проверен сигнал сотовой связи. Он оказался устойчивым на трёх проверяемых телефонах. К сожалению, подавление иных частот подобной недорогой глушилкой не проверялось, но можно быть уверенным, что и с ними всё без сюрпризов. |
|
|
Перед включением подавителя необходимо установить антенны на все три штекера. Каждая антенна отвечает за свой диапазон частот. Именно поэтому важно, чтобы были установлены все. |
|
|
Остаётся передвинуть тумблер на подавители в положение «включено». На приборе загорается зелёная лампочка, а сотовая связь полностью пропадает. Теперь дозвониться точно не получится. |
|
|
И последняя проверка – отключение подавителя. Одно движение тумблера ─ и как «по мановению волшебной палочки» сотовая связь восстановлена, телефоны функционируют. |
Подробнее видеообзор можно увидеть в этом видео.
Тонкая настройка
Бывает, что после того, как глушилки GSM зарядили, включив устройства, обнаруживают слабую работу, распространение действия лишь на определенного оператора связи или что-либо еще подобное. Такое случается, если операторы используют немного другие частоты.
Но для того, чтобы прибор заработал и с ними, необходимо произвести следующие действия:
- извлечь переключатель;
- открутить антенну;
- снять крышку;
- вытянуть микросхему;
- повернуть на ней отверткой для повышения или понижения частоты подстроечный резистор.
Дополнительные функции глушилок сотовой связи
Устройства, которые работают в режиме поиска, можно использовать и как детекторы жучков или иных устройств, посягающих на личную жизнь и работающих по радиосигналу. Настроив такой подавитель на меньшую чувствительность, следует пройтись с ним по помещению. В том месте, где обнаружится сигнал, устройство войдёт в режим работы, подавляя его, о чём пользователя известит светодиод на корпусе.
ФОТО: volyn.com.ua Для поиска «жучков» нет необходимости покупать дорогостоящее оборудование
Кстати, существуют и ультразвуковые подавители, которые никак не влияют на работу сотовых сетей, однако не дают кому-либо записать разговор. Такие устройства могут выглядеть как обычный динамик колонки. При включении с пульта ДУ они начинают издавать ультразвук, не доступный человеческому слуху. Однако если включить запись, то на ней ничего, кроме «белого шума», услышать не удастся.
Предлагаем посмотреть, как могут выглядеть глушилки сотовой связи и ГЛОНАСС заводского производства.
Принцип действия глушилок
Принцип действия глушилки очень прост, если знать физику, а также некоторые законны динамики. Устройство работает по принципу излучения определённого импульса, который подстроен под точные частоты. Также девайс настроен так, что подавляет только те частоты, которые настроил пользователь.
Вокруг глушилки образуется специальное поле, которое блокирует другие сигналы, как бы заглушая их своим мощным импульсом. Также на работу механизма влияет его вид, так как многие глушилки придуманы для разных целей.
Более подробно о механизме действия можно посмотреть в этом видео
При правильном излучении сигнала, который находится в том же диапазоне частот, создается некоторое соперничество, в результате которого выигрывает как раз глушитель. Создания «белого поля», как называют его многие эксперты, является ключевым фактором, а также механизмом, который регулирует работу любого глушительного прибора.
Потеря сигнала для других источников – результат правильной настройки частот, которая на самом деле не так сложна, как может показаться изначально. Также пользователь должен понимать, что без знаний правильного механизма сложно качественно настроить глушительный аппарат.
Обратите внимание! Если есть неуверенность в настройке, стоит доверить это дело профессионалу.
Глушилка своими руками – как сделать устройство для блокировки сигналов ТВ и сотовых телефонов
Для устранения проблемы, связанной со слежением, потребуется устройство подавителя связи, подавляющее навигатор, а также вносящее определённые помехи в процессе его функционирования. Подобные глушилки продаются в магазине электроники, либо создаются собственноручно при наличии определённых знаний в области радиотехники.
Краткое содержимое статьи:
Сотовая связь
В большинстве случаев глушилки сотовой связи приобретаются для защиты помещений от прослушки с помощью GSM-жучков. Подавителем мобильной связи можно создать тишину в зале на массовом мероприятии благодаря блокировки входящих звонков.
Возможно, скоро в нашей стране примут закон, согласно которому глушилки сотовой связи будут устанавливать в тюрьмы, в школы на время проведения ЕГЭ, в аудитории университетов, театры и другие общественные места.
Диапазоны частот: GSM900: 925-960 МГц GSM1800: 1805-1880 МГц 3G: 2110-2170 МГц 4G WIMAX: 2570-2690 МГц 4G LTE: 791-820 МГц CDMA800: 850-894 МГц (не используется российскими сотовыми операторами с 2010 года) PHS: 1900-1930 МГц (устаревший стандарт, ранее использовался в Китае и Японии)
Из чего состоит глушилка?
Для бесперебойного функционирования гаджета и исключения глушения связи понадобится намотать требуемое число витков. От правильности выбора сердечника напрямую зависит продолжительность работы прибора и коэффициент усиления.
Подобные гаджеты создать намного проблематичнее в связи с наличием определённой модели процессора.
Типы глушилок по форм-фактору
Стационарные глушилки. Такие устройства предназначены для постоянного использования на одном месте и для работы им необходимо подключение к сети. Они весят несколько килограмм и могут одновременно генерировать «белый шум» на десяти и более диапазонах радиочастот.
Портативные глушилки
Такие устройства можно носить в кармане и незаметно включать по мере необходимости, не привлекая внимание окружающих. Время автономной работы такого устройства 1-3 часа
Весят портативные глушилки, в среднем, 300-700 грамм и объединяют в себя 3-6 антенн для подавления разных диапазонов радиочастот.
Чехлы-блокираторы. С 90-х годов ходит множество легенд про встроенный в каждый GSM-телефон «полицейский режим», который позволяет оператору сотовой связи следить за перемещениями и прослушивать разговоры любого абонента.
Популярные статьи Подставка для бумажек
Обычно в таких чехлах есть два отсека. Первый отсек предназначен для полной блокировки сигналов, а второй для защиты от вредного излучения.
А теперь подробнее остановимся на том, для чего применяется на практике подавление сигналов на разных диапазонах частот.
Нюансы изготовления, настройка
Глушилка сигнала связи, выполненная собственными руками, должна в полной мере соответствовать подобному устройству заводского производства. В этих целях понадобится схема простой глушилки сотовой связи, которая представлена в виде компактного каскада, в который включены диоды, а также транзисторы.
Резисторы с конденсаторами есть возможность изготовить посредством токовых зеркал, а также подобных заменяемых элементов. Данный подмен позволит уменьшить не только размеры гаджета, но и его стоимость.
Немаловажным нюансом считается настройка, позволяющая устранить проблемы, связанные с глушением других сигналов. Для избавления смешивания частот необходимо настроить имеющуюся катушку индуктивности, непосредственно от которой зависит исходящая частота. Подобное действие происходит благодаря изменению числа витков, размещённых на сердечнике.
Чтобы определить количество витков максимально конкретно, важно использовать определённую формулу, которая показывает нужную степень зависимости, имеющуюся между индуктивностью, частотой, а также намотками.
Далее инструкцией создания глушилки для неопытных мастеров предусмотрено устройство функционирования усилителя. Данный прибор показывает усиление и уменьшение сигнала, который не всегда эффективен в процессе работы устройства. В отдельных случаях желательно свести к минимуму процент усиления, снизив подобным образом помехи.
Регулировка данного показателя состоит в экспериментальной настройке необходимого усилителя вручную, параллельно проверяя функционирование комплекса в целом и его влияние на прибор слежения.
Такой элемент, как антенна, не нуждается в настройке, однако при этом следует выбирать её максимально серьёзно. По отзывам радиолюбителей, правильнее всего обустроить антенну SMA, от которой идёт сигнал в разные стороны и которая характеризуется наивысшим усилительным коэффициентом.
В зависимости от области обхвата, появляется выбор, который связан между числом обустраиваемых антенн. При необходимости получения готового результата пределах нескольких метров, применяется 1 деталь, при этом в отдельных структурах обустраивается до 4 деталей.
Как работает глушилка сигнала?
Устройство не ослабляет сигнал, а создаёт помехи на выбранной частоте – интенсивный белый шум. В результате устройства, оказавшиеся в радиусе действия, перестают принимать и передавать данные.
В любой модели можно выделить генератор, который управляется напряжением, источник помех, настроечную схему, блок усиления и передающую антенну. Размер такого устройства – от спичечного коробка до ящика от бананов, в зависимости от мощности, радиуса действия, функциональности и цены.
Какой сигнал глушить, зависит от типа прибора и поддерживаемых частот. Современные гаджеты обычно работают с GSM, Wi-Fi, Bluetooth, GPS, ГЛОНАСС и FM.
Права по использованию гаджета
Если говорить о разрешении применения подобных гаджетов, то в нашей стране это запрещено. Даже приборы, продаваемые в специализированных магазинах, не разрешено использовать без необходимого разрешения.
Перед получением нужного разрешения и до собственноручного создания глушилки, нужно пройти испытания. Несомненно, модель, созданная самостоятельно, не подтверждается никаким разрешением, именно по этой причине можно применять её незаконно.
Поскольку прибор обладает небольшой мощностью и применяется исключительно в гражданских целях, выследить его достаточно проблематично. В основном проблемы возникнут в случае, когда водитель попадётся с подобным прибором, что может стать причиной огромного штрафа.
Источник
Законность применения подавителей связи
Согласно закону «О связи», который действует в нашей стране, любые устройства подавляющие сигналы мобильных телефонов или других устройств в обязательном порядке подлежат сертификации и регистрации. И если сертификат можно получить у продавцов при покупке, то регистрировать прибор нужно самостоятельно. В случае несоблюдения правил действующего закона нарушителям грозит штраф, а применение устройства считается незаконным. Хотя стоит отметить, что за незаконное использование таких устройств к ответственности привлекают очень редко, да и когда речь идёт о сохранении личной информации, то таких условиях риск оправдан.
Где сегодня используются глушилки – и как?
Сегодня их в основном покупают крупные компании, чтобы обеспечить конфиденциальность информации. Устанавливают глушилки в правительственных зданиях, объектах МВД и ФСБ, в тюрьмах.
В больницах глушат сигнал, чтобы правильно работала чувствительная электроника. По той же причине закупают гаджеты для исследовательских лабораторий и сервисных центров.
Нередко глушилки ставятся в кино и в театрах. Есть они даже в школах и университетах – чтобы никто не списывал с интернета на экзаменах.
Глушат они не только сигнал мобильных телефонов, но и «жучков», которые также работают через сотовые сети. Впрочем, от записи разговоров глушилки не оберегают (спойлер: но и такие приборы есть, читайте дальше).
Вы наверняка видели глушилки и в метро. Они установлены для борьбы с терроризмом. Даже если бомбу заложат, террорист не сможет подорвать её дистанционно. Не пройдёт сигнал.
Курьеры и дальнобойщики используют глушилки, чтобы не дать работодателю проследить за ними. По той же причине глушилки покупают и автоворы.
Другой вариант – использовать глушилку для вывода из строя сигнализации на авто или на здании. Или систему «умный дом», в которой устройства обмениваются данными по Wi-Fi.
Ещё есть глушилки – «антишансон». Это подавители радиоволн. Бесит музыка в такси? Включил незаметно в кармане, и наслаждаешься тишиной.
Кстати, если использовать плеер с FM-трансмиттером вместе с глушилкой, то можно заставить всю маршрутку слушать правильную музыку.













































